Was das Gracil mitbringt
schmale Ansichten
bewahrt den Charakter des Denkmalgebäudes
moderne Standards
hervorragende Wärmedämmwerte
schmale Sprossen
traditionelle Kittoptik durch Einsatz von Elastokitt statt Silikon
innen geschlossene Brüstungsfuge
Das macht TF Gracil aus
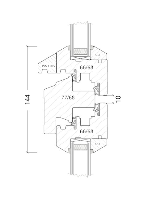
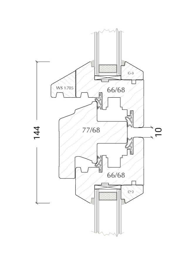
| Technische Details von Gracil |
|---|
| Profilstärken 68 mm und 78 mm möglich |
| Stulp Ansichtsbreite 106 mm statt 118 mm |
| Kämpfer Ansichtsbreite 144 mm statt 158 mm |
| schmaler Flügel 66 mm statt 68 mm |
| 79 mm Blendrahmen (Standard), schmaler Blendrahmen mit 69 mm möglich |
| Klebstoffe: Elastokitt statt Silikon möglich |
| geschlossene Brüstung innen, außen V-Fuge |
| Glasleisten nicht überfälzt/ohne Schattenfuge |
| Sorpetaler Sicherheitsstufen SFS 1 bis SFS 3 möglich |




Vertikal

Horizontal







